Приобретение расходных материалов

Составив схему, приобретите все необходимое для выполнения работы. Делать будем основательно и надолго, поэтому рассмотрим монтаж скрытой проводки. Справедливости ради стоит сказать, что есть и другие способы прокладывания провода в гараже, о которых можно прочитать здесь.
Чтобы не тратить драгоценное время и силы понапрасну, приобретите или возьмите в аренду штроборез и перфоратор с набором буров и коронкой по бетону, диаметр которой позволит установить подрозетники и распредкоробки в вырезанные с ее помощью отверстия. Про зубило и молоток даже не будем говорить, так как такой инструмент должен быть в любом гараже.
Для дальнейшей работы потребуются:
Распределительный щиток – 1 шт.
Счетчик электроэнергии – 1 шт. (если нужен).
УЗО – 1 шт.
Подрозетники – по количеству врезных выключателей и розеток.
Распредкоробки – в каждом месте, где будет отвод на розетки и выключатели.
Автоматические выключатели – тип и количество по схеме. Возможно, потребуется установить некоторые автоматы отдельно, например, возле точильного станка, компрессора и т.п.
Проводка. Лучше приобрести медный трехжильный провод. Для освещения ‒ 1,5 мм2. Для розеток ‒ 2,5 мм2. Для разводки по гаражу до щитка ‒ 4 мм2. Количество – по схеме +10% на неучтенные выводы в распредкоробках и подрозетниках. Для того чтобы запитать более мощные потребители, рекомендуется провести отдельную линию электропроводки от распределительного щитка до нужного места.
Гофрированные трубы ПВХ под электропроводку. Диаметр и количество подбираются под имеющуюся проводку. Если проводка будет проходить через легковоспламеняемые материалы, то в таких местах должна быть уложена металлическая гофротруба.
Если в гараже будет точка для подключения электрооборудования 380V, то надо позаботиться о приобретении специфической розетки и соответствующего кабеля.
Розетки. Их количество должно быть достаточным для удобного пользования
Важно помнить, что над верстаком может быть несколько светильников – они могут быть подключены как через распредкоробки, так и непосредственно в розетки.
Выключатель. Кто-то предпочитает одним выключателем отключать освещение в гараже, другому нравится разделить на несколько групп, а третий устанавливает выключатель под каждой лампой – каждый может сделать так, как ему будет удобно пользоваться.. Распределительный щиток можно сделать самостоятельно, как автор этого видео:
Распределительный щиток можно сделать самостоятельно, как автор этого видео:
Процесс изготовления удлинителя
- Подготавливаем колодку для работы. Для этого при помощи отвёртки откручиваем на дне колодки съёмную крышку.
- Далее подготавливаем кабель. При помощи ножа снимаем изоляцию с кабеля. При этом отступаем от края кабеля на 2 см. В результате мы видим 2 жилы кабеля. Края каждой из жил очищаем от изоляции. После чего тщательно скручиваем проволоку на жилах и загибаем её.
- Устанавливаем жилы кабеля в специальные пазы колодки. Фиксируем жилы болтами. Также фиксируем кабель на выходе колодки.
- Надеваем крышку на колодку и завинчиваем болты.
- На противоположной стороне кабеля будем крепить вилку. Для этого снимаем защитный кожух с рабочей части вилки.
- Указанным выше способом подготавливаем к работе жилы кабеля. Надеваем на кабель кожух вилки. Затем устанавливаем жилы в соответствующие разъёмы вилки. Фиксируем жилы при помощи болтов.
- На выходе вилки фиксируем кабель двумя болтами и специальной вкладкой.
- Надеваем кожух на внутреннюю вставку. Закручиваем болты.
- Удлинитель готов к работе!
Удлинитель, сделанный своими руками, прослужит долго и будет в разы удобнее, чем магазинный. Для сборки вам потребуется острый нож для снятия изоляции, плоскогубцы, набор отверток. После подготовительных работ можно приступить к непосредственному изготовлению удлинителя.
Сборку рекомендуем начать с вилки. Для этого следует удалить верхнюю изоляцию на 5-6 см. После этого очищаем сами жилы от изоляции приблизительно на 1 см. Разбираем штепсельную вилку и крепим оголенные провода непосредственно к вилке.
Рекомендации по безопасности
Важно учитывать следующие рекомендации:
- Выполнять любые работы по реставрации и замене электропроводки допускается исключительно в случае полного отсутствия напряжения.
- Рекомендуется надеть удобную обувь, которая не затрудняет движение.
- Электрические приспособления должны быть целыми, без поврежденного кабеля. Соединение должно быть качественным.
- Рукоятки на инструменте должны быть заизолированными.
- Если планируется выполнять работы на большой высоте, то понадобится подготовить помосты. Использование бочек, пеноблоков, стульев на столах и других конструкций не допускается.
- Все работы следует выполнять неспешно.
К работе следует подходить ответственно, так как правильная установка электропроводки в гаражном помещении гарантирует ее бесперебойную эксплуатацию на протяжении 30 лет. Малейшая ошибка может привести к поломке всей электросети. Если выполняется скрытая проводка, то понадобится выполнять тяжелые работы по ремонту. Соответственно, если опыта работы нет, то рекомендуется пригласить высококвалифицированных специалистов.
Для работы будет необходима помощь специалиста, который сможет подвести электричество от столба к электрощиту, подключить трансформатор, электросчетчик и устройства для выключения. Обойтись без вызова мастера не получится, так как для внешнего ответвления провода от центральной ЛЭП нужно иметь лицензию для выполнения работ с повышенным напряжением.
Технология установки электропроводки существенно отличается от варианта с частным домом или квартирой. Рекомендуется заплатить опытному мастеру, чтобы после окончания подсоединения кабеля он помог проверить качество скрепления проводов и правильность выполненных работ. Сумма выйдет небольшая, однако не нужно будет беспокоиться о безопасности.
Оборудование наружной проводки
Существует два способа осуществления монтажа проводки к гаражу — воздушный и подземный.
Воздушный
Высота размещения проводов в воздухе должна быть над зданиями 3 м, над дорогой 6 м, а над пешеходной тропой 4 м. Вход в стену гаража лучше провести с уклоном наружу, для избежания попадания воды. Провод нужно заизолировать. На наружных стенах гаража устанавливают изоляторы, к которым крепится провод. Провода помещаются в резиновые или пластиковые трубки, все пустоты заполняются алебастром или цементным раствором.
Подземный способ проводки
Вырывается траншея, куда укладывается провод, защищенный стальным коробом. Глубина залегания кабеля составляет 2 метра. В фундаменте необходимо сделать отверстие для ввода провода.
Простейшая схема оборудования внутреннего электроснабжения гаража
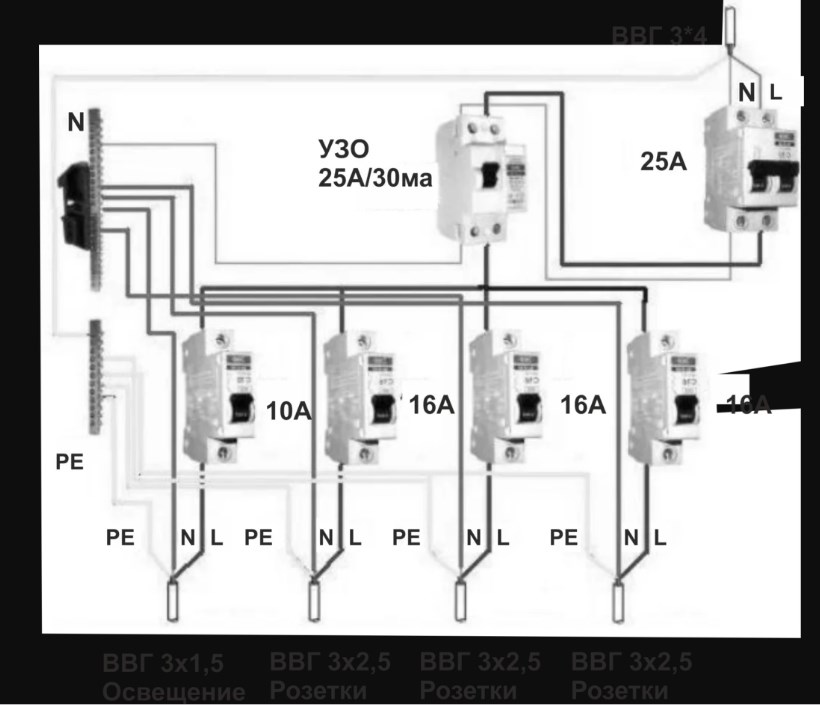
Все работы начинаются с чертежа, на котором изображаются: вводный щиток с оборудованием, распределительные коробки, розетки, выключатели и трассы прокладки проводки в гараже. Простейшая схема внутренней разводки гаража выглядит следующим образом. С наружной вводной коробки трехжильный медный кабель, две жилы которого подключаются во внешней коробке к кабелю централизованной разводки, а третья — к болту заземления, вводится в распределительный щиток гаража, в котором устанавливается электросчетчик и автомат защиты.
Как правило, фазный провод, обычно коричневого цвета, или тот, на котором индикатором определяется наличие фазы, заводится на вход электросчетчика, размещенного в щите электропитания, а затем на автомат защиты, размещенный в том же щите.После этого электросчетчик пломбируется для исключения воровства электроэнергии.
Нулевой провод, обычно
синего цвета,
Провод заземления, обычно
желто-голубой,


В простейшей схеме могут даже не перерезаться, а уходить сразу в короб распределения питания, если этот провод имеет одну трассу. В случае, если разводка производится от щита электропитания по нескольким трассам — на лампы освещения, розетки, выключатели и т.д., в щите монтируются три контактные линейки, к которым подключаются провод «фаза» от электросчетчика и провода «нуль» и «земля».
В случае использования не пластмассового, а металлического щита контактные линейки «фазы» и «нуля» монтируются на изолирующих прокладках, контактная линейка заземления закрепляется непосредственно на корпусе электрощитка.
Как правило, даже при монтаже простейшей схемы электропитания, предусматривается одна розетка, к которой могут подключаться мощные электропотребители, такие, как бетономешалка. В этом случае в распределительном щитке устанавливается второй автомат защиты, как правило, на 25 ампер.
При этом на линию освещения гаража и смотровой ямы, а также на такие потребители, как электроинструмент (дрель, болгарка, электроточило), зарядное устройство и на розетки достаточным есть автомат защиты на 16 ампер.
Для того, чтобы автоматы защиты не срабатывали при перегрузках, перед их покупкой необходимо рассчитать по Закону Ома максимальный ток нагрузки, с небольшим запасом, для чего разделить суммарную потребляемую мощность одновременно используемого оборудования и электроинструмента на 220 вольт,
Например, суммарная мощность бетономешалки, зарядного устройства, ламп освещения составляет 5 киловатт. Делим 5000 ватт на 220 вольт, получаем 22,72 ампера. Значит, необходимо установить автомат защиты на 25 ампер. В гаражах для подключения розеток используется, как правило, провод типа ВВГ3х2,5,для подключения ламп освещения — ВВГ3х1,5.
Сечение провода для подключения высоковольтной розетки рассчитывается исходя из мощности используемого электрооборудования.
Составление и согласование проекта
Схемы подключения и расположение потребителей
Электроснабжение гаража – предмет ответственный. От его организации зависит работа без сбоев, отказов приборов-потребителей, а также безопасность людей.
На функционирование проводки, ее устройство распространяется действие правил устройства электроустановок (ПУЭ). Это главный документ для каждого электрика, его же требованиями руководствуются те, кто решил заняться электрификацией гаража, мастерской самостоятельно.
Различают 2 независимые области реализации энергоснабжения:
- подключение по установленной схеме;
- упорядоченное расположение потребителей.
Первый вариант учитывает расчет, размещение на чертеже электрических приборов с использованием стандартизированных обозначений, в зависимости от вида подключения (3 фазы, одна) и напряжения в сети. Обязательно предусматривается заземление (не путать с нейтральным проводником), неплохо установить также устройство защитного отключения: оно срабатывает при контакте человека с токонесущими элементами, разрывая цепь.
УЗО на входе удобно тем, что его можно настроить на величину тока, меньшую опасного предела (0,1 Ампер)
Так, при неосторожном касании патрона или розетки умный блок мгновенно выключит питание, обезопасив человека от поражения электротоком

Разводка по потребителям предусматривает распределение по группам, каждой из которых присваивается свое значение тока и отдельный автоматический выключатель. Такой способ позволяет, при необходимости, отсечь «лишних» абонентов, например, при поиске причины неисправности или во время ремонта участка сети. Практика показывает, что, кроме прочих преимуществ, эта схема оптимизирует нагрузку на магистраль.
Главным выключателем производится подключение к внешнему источнику питания, а уже внутри локальной сети выполняется распределение на розетки и освещение или внутреннюю проводку и отдельно выведенное гнездо для энергоемкого сварочного трансформатора. Различают промышленную (380 Вольт, 3 фазы) и бытовую (220 Вольт, одна фаза) сети.
От этого условия зависит схема подключения, размер (сечение) проводников, конструкция выключателей. Выполняя чертеж, не обязательно скрупулезно следовать требованиям по соблюдению масштаба и точности обозначений. Главное, чтобы все было ясно самому исполнителю работы.

Со смотровой ямой
В гараже с предусмотренной проектом и реализованной в натуре ямой для осмотра днища, ходовой потребуются дополнительные «точки раздачи» электричества – розетки, осветительные приборы, точечные или сгруппированные в панели. А значит, это учитывают на схеме, при расчете нагрузки и определении сечения кабеля, закупке оборудования
Не важно, воспользуются при устройстве проводки услугами знакомого электрика или выполнят работу самостоятельно, но неучтенных, упущенных моментов быть не должно
Без смотровой ямы
Гараж без смотровой ямы проще и в строительстве, и с точки зрения электроснабжения: потребители сосредоточены в наземной части, там же размещаются розетки, осветительная арматура, специальные разъемы (например, с заземлением). Все абоненты обязательно отражаются на схеме, с выделением отдельного отсекающего автомата на каждого.

Необходимые инструменты для монтажа
Чтобы выполнить монтаж проводки, соединить между собой кабель в зависимости от выбранного способа сращивания (скрутками, на клеммных колодках или переходниках) понадобятся:

- Плоскогубцы.
- Кусачки.
- Рулетка.
- Хозяйственный нож.
- Отвертка (со сменными насадками или с прямым и крестовым шлицем).
- Перфоратор или ударная дрель.
Заранее приобретенный провод необходимо разрезать по мерным кускам, зачистить, закрепить. Для этого нужны плоскогубцы, кусачки и нож. При монтаже автоматов, прибора учета (счетчика) не обойтись без инструмента для пробивания стен – перфоратора или дрели. А отвертки предназначены для затягивания болтовых соединений, саморезов, винтов. Это самый необходимый набор оборудования.

Места установки электрооборудования
Простейшая схема оборудования внутреннего электроснабжения гаража
Все работы начинаются с чертежа, на котором изображаются: вводный щиток с оборудованием, распределительные коробки, розетки, выключатели и трассы прокладки проводки в гараже. Простейшая схема внутренней разводки гаража выглядит следующим образом. С наружной вводной коробки трехжильный медный кабель, две жилы которого подключаются во внешней коробке к кабелю централизованной разводки, а третья — к болту заземления, вводится в распределительный щиток гаража, в котором устанавливается электросчетчик и автомат защиты.
Как правило, фазный провод, обычно коричневого цвета, или тот, на котором индикатором определяется наличие фазы, заводится на вход электросчетчика, размещенного в щите электропитания, а затем на автомат защиты, размещенный в том же щите.После этого электросчетчик пломбируется для исключения воровства электроэнергии.
Нулевой провод, обычно
синего цвета,
Провод заземления, обычно
желто-голубой,


В простейшей схеме могут даже не перерезаться, а уходить сразу в короб распределения питания, если этот провод имеет одну трассу. В случае, если разводка производится от щита электропитания по нескольким трассам — на лампы освещения, розетки, выключатели и т.д., в щите монтируются три контактные линейки, к которым подключаются провод «фаза» от электросчетчика и провода «нуль» и «земля».
В случае использования не пластмассового, а металлического щита контактные линейки «фазы» и «нуля» монтируются на изолирующих прокладках, контактная линейка заземления закрепляется непосредственно на корпусе электрощитка.
Как правило, даже при монтаже простейшей схемы электропитания, предусматривается одна розетка, к которой могут подключаться мощные электропотребители, такие, как бетономешалка. В этом случае в распределительном щитке устанавливается второй автомат защиты, как правило, на 25 ампер.
При этом на линию освещения гаража и смотровой ямы, а также на такие потребители, как электроинструмент (дрель, болгарка, электроточило), зарядное устройство и на розетки достаточным есть автомат защиты на 16 ампер.
Для того, чтобы автоматы защиты не срабатывали при перегрузках, перед их покупкой необходимо рассчитать по Закону Ома максимальный ток нагрузки, с небольшим запасом, для чего разделить суммарную потребляемую мощность одновременно используемого оборудования и электроинструмента на 220 вольт,
Например, суммарная мощность бетономешалки, зарядного устройства, ламп освещения составляет 5 киловатт. Делим 5000 ватт на 220 вольт, получаем 22,72 ампера. Значит, необходимо установить автомат защиты на 25 ампер. В гаражах для подключения розеток используется, как правило, провод типа ВВГ3х2,5,для подключения ламп освещения — ВВГ3х1,5.
Сечение провода для подключения высоковольтной розетки рассчитывается исходя из мощности используемого электрооборудования.
Монтаж гаражной электропроводки ↑
Электрификацию гаража можно условно разделить на два этапа:
- монтаж наружной проводки (от линий электропередач до входа в помещение);
- внутренний монтаж электропроводки в гараже.
Если внутренняя проводка в гараже своими руками чаще всего монтируется, то наружные работы должны обязательно выполняться квалифицированным электриком, имеющим доступ к работе с высоковольтными линиями.
Рассмотрим подробнее, как сделать проводку в гараже и снаружи, и внутри.
Есть два способа передачи электроэнергии от электрического столба до строения: воздушный и подземный. При выборе обычно руководствуются такими факторами, как взаиморасположение гаража с прочими объектами. Если гараж находится на расстоянии большем 25 м от линии электропередач, то для прокладки кабеля по воздуху будет необходима установка дополнительных столбов. При этом высота размещения провода должна быть:
- около постройки – более 2,75 м;
- над пешеходными дорожками – более 3,75 м;
- над дорогой – более 6 м.
Ввод воздушной линии выполняется через стену на высоте не менее 2,75 м. Для этого снаружи гаража на специальных крюках крепятся изоляторы таким образом, чтобы расстояние между кабелями было более 0,2 м.
Перед вводом в гараж провода необходимо заизолировать пластиковыми или резиновыми трубками, а после — все щели тщательно зацементировать или заделать алебастром.
Правильный ввод электричества в невысокий гараж выполняется с помощью трубостойки
У некоторых обладателей невысоких гаражей возникает резонный вопрос, как сделать электропроводку в гараже, если его высота не превышает 2,75 м? Как получить разрешение Энергонадзора на такой проект? Неужели в этом случае придется обходиться без электричества? Ну, конечно же, нет. Просто в этом случае нужно будет установить так называемую трубостойку – стальную трубку, у которой верхний конец загнут на 180° и оснащен приемными изоляторами. Такое приспособление дает возможность ввести электрические провода даже через крышу. Крепится трубостойка к стропилам крыши.
Несколько слов нужно сказать и о подземном способе электрификации гаража. В этом случае кабель располагается в земле и защищается стальным коробом. В гараж провода вводятся через подготовленное отверстие в фундаменте. Кабель, проходящий через точку ввода, обязательно защищается трубой, к тому же для каждого провода подготавливается отдельное отверстие.
Правильный ввод кабеля в гараж через фундамент
В конце работы электрик, осуществляющий наружный монтаж проводки, должен подвести кабели к вводному ящику с электрическим счетчиком и предохранителями. А дальше, если принято решение о самостоятельном проведении освещения внутри гаража, в дело вступает хозяин.
Внутренняя проводка может быть открытой, а может быть и скрытой. Как уже говорилось выше, в металлических и деревянных конструкциях очень проблематично осуществить скрытый монтаж, поэтому для таких гаражей актуален открытый способ. В этом случае кабели крепятся в плинтусах или специальных металлических или пластмассовых коробах. Более эффективны для открытой проводки плоские провода (например, АППВ, ППВ, АППР), а также небронированные защищенные кабели.
На стенах провода крепятся жестяными скобками, гвоздями или дюбелями на расстоянии не более 0,4 м. Разводку обязательно проводят горизонтально, в 20 см от потолка, а коробки приклеиваются или прикручиваются шурупами.
При проведении скрытой проводки необходимо следить за тем, чтобы она была проложена так, что после оштукатуривания не было выпирающих участков
В кирпичных и каменных строениях более популярна скрытая проводка. Лучше всего все работы выполнять до оштукатуривания стен, в этом случае нужно следить лишь за правильной установкой оборудования, то есть, чтобы после оштукатуривания не выглядывали, например, края распределительных коробок. Если все же электрификация выполняется после нанесения штукатурки, то нужно будет вырубить в стенах неглубокие канавки (5-6 мм – более, чем достаточно), которые после укладки в них проводов и их закрепления гвоздями, тщательно заделываются.
Делаем заземление своими руками
Пора узнать конкретную инструкцию для проведения надежного заземления в гараж своими силами.
Сразу остановимся на важном совете от специалистов. Контакты нуждаются в особенно пристальном внимании
Не надо делать скрутки
Надежное, качественное соединение обеспечивают клеммы. Поэтому стоит потратить чуть больше времени и аккуратно подключить клеммы во всех местах соединения контактов
Не надо делать скрутки. Надежное, качественное соединение обеспечивают клеммы. Поэтому стоит потратить чуть больше времени и аккуратно подключить клеммы во всех местах соединения контактов.
Начнем с наиболее существенных моментов.
- УЗО имеет большое значение. Оно позволит обеспечить безопасность электропроводки даже при утечке тока. Необходимо устанавливать устройство защитного контура, поскольку именно оно и становится оптимальным гарантом для заземляющего контура. Если возникает какая-либо аварийная ситуация, электричество на вводе сразу же отключается благодаря УЗО.
- Вам понадобятся электроды. Для их изготовления лучше всего использовать металлические уголки. Запаситесь этим материалом. Оптимальный размер металлического уголка – минимум 50 на 50 мм. Длина подойдет в 2-2,5 метра. Некоторые гаражники заменяют уголки металлическими трубками. Это тоже нормальное решение. Толщина стенок такой трубки должна составлять не меньше 3,5 мм. Диаметр лучше подобрать больше, чем 32 мм.
- Схема защиты тоже имеет значение. Здесь речь идет о форме. Кто-то прокладывает кабель в виде прямой линии, другие выбирают треугольник. Однако специалисты и гаражники рекомендуют другой вариант, уже проверенный и признанный оптимальным. Схема заземления гаража должна быть Т-образной. В таком случае два электрода располагают по углам, непосредственно в передней части гаражного помещения. Два других электрода вкапывают в смотровой яме. Четыре заземляющих железных электрода соединяют друг с другом. Потом все они подключаются к соответствующей шине в щитке.
- Гибкий провод становится заключительной деталью заземляющего контура. Именно он соединяет подземную систему с шиной заземления, которая расположена на щитке. Специалисты, опытные электрики советуют использовать медный кабель, сечение которого составляет 6 мм. кв. Можно взять и алюминиевый провод, но тогда понадобится сечение 16 мм. кв.
Если у вас уже подготовлены все необходимые материалы, пора начинать монтировать заземляющий контур для вашего гаражного помещения.
Алгоритм работы
Рассмотрим инструкцию.
- В первую очередь электроды необходимо поместить в землю. Выкапывайте углубления, примерно по 50 см глубиной, в соответствии с вашей схемой размещения электродов. Между ямками сделайте траншеи. Они пригодятся для прокладки соединяющей заземляющей арматуры.
- Соблюдайте шаг между электродами в 1,2 метра. Как только вы сделали углубления, приходит время вбивания уголков в почву. Желательно каждый уголок сначала заострить с помощью болгарки. Тогда работа пойдет быстрее. Можно использовать трубки, толстую арматуру для изготовления электродов.
- Затем вбейте электрод в землю кувалдой. Он должен до конца войти в почву. Мастера отмечают, что верхний конец каждого электрода должен располагаться ниже поверхности земли на 0,5 метра.
- Вбитые в землю уголки нужно соединить металлической полосой. Вам понадобится профиль с шириной 4 см. Толщина металла должна составлять минимум 5 мм. Желательно использовать сварку для соединения элементов. Металл сначала зачищается, а затем сваривается.
- Для оптимального подключения провода к уголку используйте обычный болт или соединительную клемму.
- На завершающем этапе протягивается трехжильный провод. Он должен идти от щитка в 220 Вольт по гаражу. Этот кабель и подключается с соответствующим заземлением к розеткам, осветительным приборам.
Если рассмотреть алгоритм прокладки заземления, можно убедиться: данная работа вполне выполнима. Монтаж простой, не требует много времени, экономичен.
Когда гаражное помещение располагается на придомовой территории, можно не делать отдельное заземление. Достаточно организовать заземляющую систему для самого дома, а потом уже от дома к гаражу провести трехжильный кабель от щитка. Главное, выполнять все последовательно, не спеша, в полном соответствии с инструкцией и рекомендациями.
Выбор проводов и кабелей по мощности

Чтобы сделать правильную электропроводку в гараже, определяют суммарную и индивидуальную мощность потребителя. Главный подающий кабель должен соответствовать суммарной величине. Кроме того, учитывается способ, каким проводят электричество. Так, от частого дома достаточно СИП – алюминиевого на 16–24 кв. мм или медного на 8–10 кв. мм.
Для освещения основного помещения нужны светильники, мощностью до 500 Вт, для этого хватит медного кабеля в 1,5 кв. мм.
Розетки рассчитаны на 16 А, поэтому для них берут провод в 2,5 кв. мм.
Чем более мощные потребители есть в гараже, тем больший по сечению кабель нужно использовать. Общая рекомендация: ставить только провода с медными жилами.
Варианты подключения гаража к электросети
Способов провести электричество в гаражное помещение немало. При этом стоит оговориться, что даже бывалые автолюбители и гаражные завсегдатаи давно забросили эксперименты с незаконными врезками и подключениями. С одной стороны, энергетики научились легко вычислять «халявщиков», с другой стороны, если факт незаконного подключения будет обнаружен товарищами по гаражному кооперативу, дело примет очень болезненный оборот с далеко идущими последствиями. Поэтому действуем по закону:
- Если гараж находится в кооперативе автолюбителей, наиболее простой способ решить проблему, как подключить электричество к гаражу, — написать заявление и решить вопрос с кооперативным электриком;
- Для индивидуальных застройщиков- физических лиц есть возможность заключить договор на подключение к электросетям, после выполнения требований оформить лицевой счет, книжку, и платить за потребленную электроэнергию индивидуально;
- Провести в гаражное помещение электричество можно по схеме «папин друг». В этом случае можно обойтись без электросетевой компании или кооператива, достаточно провести кабель от соседа по гаражу. Понятно, что способы оплаты потребленной энергии и расчеты между сторонами строятся на личных контактах.
Проще всего провести свет на условиях гаражного кооператива. Минимум бюрократии. Время подключения и индивидуальные пожелания в вопросе, как провести электричество в гараж, лучше сразу согласовать с председателем и электриком кооператива.
Последний явится к вам в гараж в самый неподходящий момент, проверит подключение гаража и проводку на наличие «потаенных» розеток, и после долгих разговоров просто подсоединит контакты кабеля в распределительной коробке от общей линии к входному автомату или счетчику. После пломбировки ввода и электросчетчика будет оформлена платежная книжка и учетная карточка- техпаспорт.

При всей простоте и скорости оформления способ провести электричество в гараж от кооперативной электросети не всегда является самой выгодной идеей. Причин, по которым не стоит пытаться провести электричество от кооперативной линии, несколько:
- Воровство средств, уплаченных членами кооператива в счет оплаты за потребленное электричество. Если оплату принимают по квитанциям, растрата или хищение денег неизбежны. Единственным приемлемым вариантом будет оплата на расчетный счет кооператива;
- Коллективный или колхозный способ сбора денег никогда не отличался стопроцентной оплатой членами кооператива за потребленное электричество. Если на территории кооператива существуют частные мастерские или магазины, скорее всего, часть потребленного этими конторами электричества будет оплачиваться из вашего кармана;
- Есть смысл проводить электричество от кооперативной линии, если перечисленные выше проблемы в вашем кооперативе отсутствуют, при этом ответственными лицами предъявляются жесткие, но обоснованные требования к обустройству ввода и подключения.
Упрощенный подход со стороны электрика или председателя в вопросе подключения гаража к электричеству может обернуться очень серьезными проблемами, от пожара до регулярных аварий на линии.
Совет!
Самым хлопотным, но самым надежным способом решить вопрос, как провести электричество в гаражное помещение, будет индивидуальное подключение с линии на основании договора с электросетевой компанией.
Что нужно для хорошей электрификации гаража?
- Все материалы подобрать по окпд.
- Толком составлена смета.
- Правильно произведена разметка размещения энергопотребителей.
- Подбор качественных материалов.
- Низкий расход электричества.
- Произведен точный расчёт мощности.
Если принят в работе этот расчёт действий, то с зданием может справиться и любой автолюбитель. Составленная и смета может быть небольшой и экономной. Есть шанс при эксплуатации «автодома» сделать так, что экономия электричества может быть существенной. Вместо двух, можно в целях экономии поставить один выключатель. Если такой вариант рекомендует рациональная разметка. В гараже один выключатель должен быть размещен непосредственно за дверью или поставлен его снаружи в метеозащитном футляре. И главное. В целях экономии денег стоит приобретать столько материалов, сколько необходимо. То есть на сумму, на какую сверстана смета. Впрок покупать не стоит. Для обеспечения безопасности необходимо защитить электропроводку на гараже. Ее нужно спрятать или в штробы, или в специальные трубы, или в короба из пластмассы. Все варианты хороши.
Щиток и заземление
Перед тем, как подключить электричество, и перед началом монтажа кабельных линий следует установить щиток с автоматами и сделать контур заземления (при возможности).
Место установки щитка должно быть рядом с вводом кабельной линии в гараж. При этом электрощиток для гаража своими руками набирается из автоматов, ток которых определен расчетами потребляемого тока станками и освещением. Расположение автоматов всегда следующее:
- Вводной автомат, желательно с УЗО. Он ставится в верхний ряд крайним слева (первым в ряду).
- Далее с права от него должны располагаться остальные автоматы по мере убывания значений тока, начиная с большего.
- Если щиток имеет 2 ряда автоматов, то нижняя планка набирается также по принципу убывания значений тока.
Для соединения автоматов внутри щитка рекомендуется использовать провод типа ПВ-3 с сечением минимум 2,5 квадрата. Далее следует помнить, что вводные провода подаются на автоматы всегда сверху. При этом, чтобы сэкономить на проводе, для соединения автоматов (кроме вводного) рекомендуется использовать медную шину.
Необходимые инструменты для монтажа
Чтобы выполнить монтаж проводки, соединить между собой кабель в зависимости от выбранного способа сращивания (скрутками, на клеммных колодках или переходниках) понадобятся:

- Плоскогубцы.
- Кусачки.
- Рулетка.
- Хозяйственный нож.
- Отвертка (со сменными насадками или с прямым и крестовым шлицем).
- Перфоратор или ударная дрель.
Заранее приобретенный провод необходимо разрезать по мерным кускам, зачистить, закрепить. Для этого нужны плоскогубцы, кусачки и нож. При монтаже автоматов, прибора учета (счетчика) не обойтись без инструмента для пробивания стен – перфоратора или дрели. А отвертки предназначены для затягивания болтовых соединений, саморезов, винтов. Это самый необходимый набор оборудования.

Расходные материалы и инструменты
Заранее составив схему электропроводки, закупают необходимые материалы. Всего должно хватать, поэтому лучше купить больше, чем меньше.
Для проведения работ нужны:

- распределительный щит;
- узо и счетчик (если необходим);
- подрозетники в том количестве, сколько будет отверстий под розетки;
- выключатели;
- распределительные коробки, каждая на отвод под розетки и выключатели;
- медный провод из трех жил 2,5 мм, количество рассчитывается по схеме + 10% на запас;
- гофрированный трубы под проводку из ПВХ;
- розетки;
- разные инструменты для монтажа от отвертки до перфоратора.

Чтобы верно произвести расчет сечения кабеля, нужно знать, какие приборы будут подключаться к сети в конкретном помещении. Общую – суммарную мощность всех устройств множат на коэффициент 1,2, а затем в таблице находят подходящее значение.
Розеток должно быть не меньше двух, потому что мало их не бывает, всегда появляется необходимость в дополнительной.

Заключение
Внутри гаража СИП кабель подключается к входному автомату и электросчетчику. Как правило, электрики отказываются подключать к простому рубильнику, и они правы. Перед тем как провести электроэнергию, в гаражном помещении необходимо установить УЗО, счетчик, автомат защиты от КЗ и пакетники, с помощью которых можно отключать отдельные сегменты проводки, розетки и внутреннее освещение. Практически весь объем работ по проведению электричества можно выполнить в гараже своими руками, но только при одном условии – у вас на руках должен быть детальный чертеж с подробным описанием всех требований по монтажу и установке оборудования внутри гаражного помещения.
Насколько это сложно или просто — электропроводка в гараже своими руками. О том, что обязательно должна включать в себя схема проводки в гараже, какие использовать материалы и какие электроприборы установить, вы сейчас узнаете.
Если вас не пугают кусачки и пассатижи, слово ПУЭ не является ругательством, и аббревиатура ПУГНП не вводит вас в состояние глубокого транса, значит, электропроводка в гараже своими руками, схема которой будет рассмотрена в нашей статье, вполне окажется вам по силам.
Мы не будем проектировать мини-автосервис с подъёмниками, станочным парком и несколькими постами сварки. Равно как и не станем ограничиваться «дедушкиным вариантом» с одинокой лампочкой в центре потолка и розеткой для подключения «переноски». Итак, приступим.
Стандартная схема электропроводки в гараже включает в себя
:
- установку средств защиты от поражения током;
- прокладку кабелей;
- подключение освещения;
- размещение розеток.



































