Что запомнить
Традиционно, дорогой читатель, перечислим основные утверждения нашей статьи,
которые желательно помнить.
Электрозадвижка пожаротушения устанавливается на пожарный трубопровод. В дежурном режиме задвижка закрыта и опломбирована, в рабочем открывается. Для автоматизации работы электрозадвижки используется ШУЗ. При монтаже задвижек на пожарный резервуар можно использовать сигнализатор. Выделяются многооборотные, взрывозащитные и интегрированные задвижки. Два вида пуска электропривода: дистанционный (от кнопки в шкафу управления) и автоматический (от системы ПС)
При выборе и монтаже особенно обращайте внимание на показатели DN и PN изделия
Скачать проект
А читателям, подписавшимся на наш блог, предлагаем вниманию проект и подробную технологическую схему электрозадвижки ПТ.
Подписывайтесь и рекомендуйте блог своим друзьям.
Источник
Сфера применения и преимущества
Трубопроводные задвижки производятся в диапазоне диаметров от 15 до 2000 мм. Они предназначены для монтажа в системы с температурой рабочей среды до 550 градусов и давлением до 25 МПа включительно. Сфера использования задвижки непосредственно зависит от материала, из которого изготовлен ее корпус. Наиболее распространенные стальные конструкции могут применяться:
- в сфере жилищно-коммунального хозяйства для установки на трубопроводы центрального водоснабжения и отопления;
- в нефтегазовой и энергетической промышленности на транспортных магистралях;
- в производственных сферах на трубопроводах подачи парообразных, жидких и сыпучих веществ.
Также производятся задвижки в корпусах из нержавеющей стали, за счет устойчивости которой к коррозийным воздействиям они получили широкое распространение в химической и фармацевтической промышленности.
Конструктивные особенности задвижки не позволяют использовать ее в качестве регулирующей арматуры, запорный элемент всегда должен находиться в крайних положениях – “закрыто” либо “открыто”, в противном случае значительно ускорится износ уплотнительных поверхностей и, как следствие, рабочий ресурс конструкции.
Фланцевые задвижки с выдвижным шпинделем имеют следующие эксплуатационные преимущества:
- простота компоновки, надежность и ремонтопригодность;
- минимальное гидравлическое сопротивления;
- небольшая габаритная длина;
- возможность комплектации механизированными приводами гидравлического, электрического либо пневматического типа;
- простота установки и возможность быстрого демонтажа за счет фланцевого соединения.
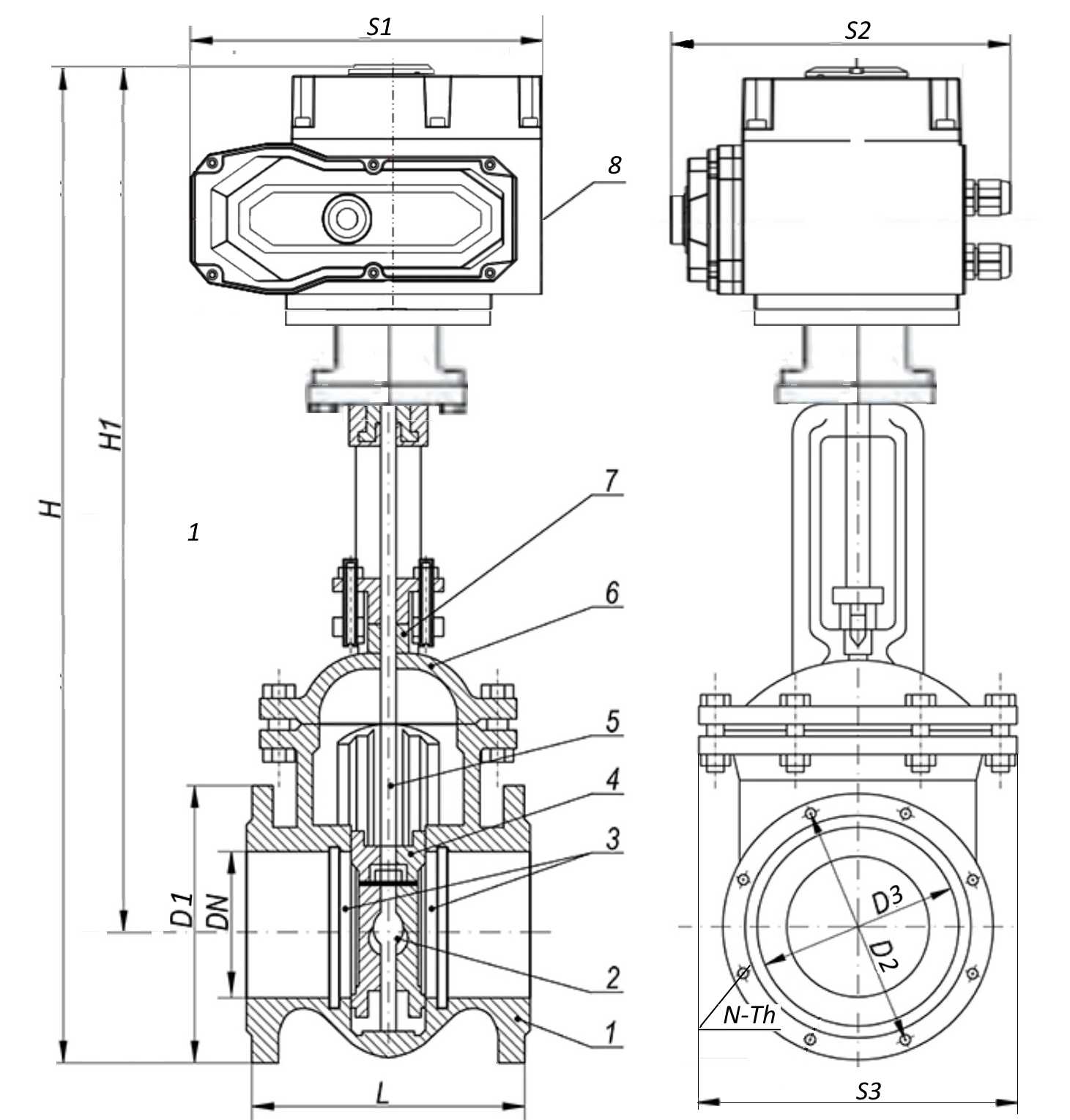
Высота клиновой задвижки
Есть у конструкции и недостатки, основной из них – большая габаритная высота за счет шпинделя, длина которого идентична диаметру пропускного отверстия в корпусе. При открытии затвора шпиндель полностью выходит из корпуса, что требует наличия свободного пространства над трубопроводом.
Задвижка с невыдвижным шпинделем отличается от рассматриваемой нами конструкции тем, что ее шпиндель при открытии затвора совершает исключительно вращательное движение, тогда как выдвижной шток движется вращательно-поступательно. В сравнении с фиксированной арматурой конструкция с выдвижным шпинделем требует значительно меньших затрат времени на открытие.
К недостаткам задвижек также относится достаточно быстрый износ уплотнительных поверхностей на седлах и затворе за счет их постоянного трения, что требует частого планового ремонта, выполнить который без монтажа арматуры с трубопровода невозможно.
Принцип работы и особенности конструкции
Задвижки в большинстве случаев выполняются в полнопроходной конфигурации, предусматривающей одинаковое сечение пропускного отверстия корпуса по отношению к диаметру трубопровода, на который устанавливается арматура.

Клиновая задвижка двухдискового типа в разразе
Конструкция клиновой задвижки состоит из следующей элементов:
- Корпус (стальной, чугунный либо нержавеющий).
- Клиновидный запорный механизм.
- Два седла, в которые затвор упирается при перекрытии пропускного отверстия.
- Привод ручного либо механического типа.
- Шпиндель зафиксированный ходовой гайкой, направляющей его перемещение внутри корпуса.
При активации привода шток, вращаясь вокруг своей оси внутри ходовой гайки, опускается в низ и перемещает запорный механизм, который перекрывает пропускное отверстие. Герметизации отсечения рабочей среды достигается за счет покрытия затвора и седел эластичным материалом. В зависимости от типа покрытия выделяют несколько видов арматуры, наиболее часто встречается задвижка с обрезиненным клином и конструкции с затвором покрытым фторопластом.
Нижняя часть корпуса задвижки цельносварная, к ней винтами крепится крышка, из которой выходит шпиндель. На боковых частях корпуса расположены оборудованными фланцами присоединительные патрубки. Фланец представляет собой круглую стальную пластину, по периметру которой размещены посадочные отверстия под крепежные винты.
При монтаже арматуры на трубопровод наваривается ответный фланец, имеющий аналогичные размеры и шаг между винтами, что и фланец задвижки. Между пластинами размещается уплотнительная прокладка из резины либо паронита и фланцы стягиваются крепежами друг с другом. За счет уплотнительной прокладки обеспечивается максимальная герметичность соединения.
Запорные устройства в наружных сетях тепло — и водоснабжения
На линиях, обеспечивающих поставку на объекты холодной и горячей воды, в основном устанавливаются электрифицированные клиновые задвижки, имеющие затвор, у которого уплотнительные поверхности образуют между собой угол, а запирающая деталь имеет клинообразную форму.
Важно! Такие затворы должны выдерживать высокое внутрисистемное давление и иметь дополнительный запас прочности на случай его повышения. Для магистралей ХВС используют чугунные изделия с диаметром 15 — 2000 мм, рассчитанные под внутрисистемное давление среды не более 25 МПа.На трубы, проводящие горячую воду, рекомендуется устанавливать более стойкие к температурным перепадам стальные электрозадвижки или из нержавеющей стали, а также модели покрытые особым составам, обладающим антикоррозийными свойствами. Их строительные и присоединительные типоразмеры, вес и другие параметры технических характеристик зависят от определённой модификации
Их строительные и присоединительные типоразмеры, вес и другие параметры технических характеристик зависят от определённой модификации
Для магистралей ХВС используют чугунные изделия с диаметром 15 — 2000 мм, рассчитанные под внутрисистемное давление среды не более 25 МПа.На трубы, проводящие горячую воду, рекомендуется устанавливать более стойкие к температурным перепадам стальные электрозадвижки или из нержавеющей стали, а также модели покрытые особым составам, обладающим антикоррозийными свойствами. Их строительные и присоединительные типоразмеры, вес и другие параметры технических характеристик зависят от определённой модификации.
Сохранение схемы в виде типовой структуры
Созданная средствами SchematiCS схема и соответствующая ей модель в виде набора элементов и связей между ними сохраняется в базе AutomatiCS как типовая структура управления приводом. Для этого «оцифрованная» схема передается в специально созданный проект AutomatiCS. Прежде чем сохранить структуру в базе, для некоторых элементов схемы следует определить все их характеристики, выполнив так называемый декомпозиционный синтез
Важно отметить, что на этой стадии окончательное определение параметров возможно только для тех элементов, характеристики которых, по мнению проектировщика, зависят от вида схемы и независимы от характеристик конкретного привода (мощность, наличие управления по месту), управляемого по этой схеме. Например, для задвижки:. • элемент ИВК-Задвижка следует синтезировать (выбрать вариант реализации и параметры), так как он является фиктивным и необходим лишь для организации логических входов в ПТК и создания соответствующих связей от схемы к ПТК;
• элемент ИВК-Задвижка следует синтезировать (выбрать вариант реализации и параметры), так как он является фиктивным и необходим лишь для организации логических входов в ПТК и создания соответствующих связей от схемы к ПТК;
• элемент БОЭ-5403М синтезировать не нужно, поскольку конкретный его тип может зависеть от мощности привода и будет определен позже во время синтеза общей модели проекта;
• элемент БЭЗ+Привод синтезировать не следует: не исключена возможность выбора местного поста управления с кнопками или без таковых.
Если для элементов пульта регулятора (БРУ и 2ВО-01) на пульте создается индивидуальный Клеммник, его также можно включить в состав типовой структуры. Для этого потребуется организовать построение клеммника стандартными средствами AutomatiCS.
Последовательность расположения элементов в проекте повторяет последовательность их вставки в чертеж. Для дальнейшей корректной врезки кабелей следует поменять последовательность элементов в классе — в соответствии с их пространственным расположением и прохождением сигнала: БЭЗ+Привод — БОЭ-5403М — ИВК-Задвижка — для задвижки, МЭО — БЭЗ — БОЭ-5413 — БП-10 — ПБР-3А — Клеммник — БРУ — 2ВО-01 — для регулирующего клапана. В таком виде класс элементов схемы может быть ретранслирован для последующего сохранения в базе. Дополнительно для каждой подобной процедуры следует сформировать заголовок-паспорт, содержащий имя схемы, а также элемент (например, Привод), вариантом которого она является, и список параметров, отличающих этот вариант от других (в простейшем случае — номер схемы: например, Схема=1).
Классификация
Положение запирающего элемента
По исходному положению запирающего элемента задвижек с автоматическим управлением: нормально открытые – управляющая среда закрывает; нормально закрытые – управляющая среда открывает;
Тип передачи усилия
По типу передачи усилия управления от элемента управления к задвижке: с приводом вращательного типа, с приводом поступательного типа.
Направление подачи среды
Направлению подачи управляющей среды в привод задвижки:
а) с односторонним направлением (на открытие или на закрытие);
б) с двусторонним направлением (попеременно, на открытие и на закрытие или наоборот);
Монтаж задвижек с электрическим приводом
Установка электрифицированной арматуры проводится квалифицированной бригадой монтажников. Перед началом работ задвижку необходимо расконсервировать, удалить лишнюю смазку, снять заглушки и проверить работоспособность. Параметры (Ду, Ру), указанные в паспорте изделия, должны соответствовать аналогичным данным трубопровода.
Установка задвижки проводится в вертикальном либо горизонтальном положении. Монтировать арматуру штоком вниз не рекомендуется, т.к. во внутренней камере устройства будет собираться шлам и грязь, что может привести к заклиниванию шпинделя. Для электроприводной арматуры диаметром более 100 мм дополнительно устанавливают неподвижную опору.
Способ подключения задвижки к трубопроводу зависит от материала корпуса. Чугунную арматуру присоединяют при помощи фланцев. В этом случае на торцах труб должны быть приварены подобные ответные элементы. Болтовое соединение и установленные между фланцами прокладки обеспечивают герметичность узла. Запрещается проводить монтаж арматуры на несоосных участках трубопровода, и компенсировать дефекты приварки ответных элементов установкой дополнительных прокладок.
Соединение трубы и корпуса стальной задвижки в большинстве случаев проводится электросваркой. При монтаже арматуры затвор должен находиться в промежуточном положении. Патрубки, вваренные в корпус запорного устройства, обязаны иметь длину не менее 30 см. Для замены дефектной задвижки ее вырезают с телом трубопровода. Подготовку кромок на патрубках арматуры проводят на токарном станке.
После окончания монтажа изделия собирают схему управления задвижкой. Она состоит из силовой части и элементов автоматики. Последние подают управляющий сигнал от ключа (кнопки) или системы защит и блокировок. Электрическая часть расположена в электрошкафу, который установлен возле задвижки. После подключения привода проверяются все виды управления, включая перевод на ручной дублер.
Гидравлические (пневматические) испытания изделия проводятся в составе трубопровода или системы. Запрещается устранение выявленных дефектов подтягиванием болтов. После проведения всех проверок монтаж считается завершенным.
Где используют задвижки с электроприводом
Установить запорную арматуру, которая приводится в действие электрическим током, можно как на бытовой трубопровод, так и на промышленные коммуникации, магистрали. Вариативность диаметра труб от 1,5 см до 200 см. Задвижки имеют тот же диаметр, что и участок трубы, на который они устанавливаются.
Установка запорных устройств с электроприводом целесообразна в местах, где ручное управление потоком затруднено.

Их используют:
- в местах, где доступ для ручной регулировки затруднён;
- на трубопроводах, находящихся в местах, представляющих опасность для здоровья человека;
- на участках, нуждающихся в автоматическом регулировании.
Задвижки применяют для регулирования, открывания, закрывания потоков жидкостей, газов. В строительстве это коммуникации жизнеобеспечения:
- водоснабжения (ДУ 50, ДУ 32);
- водоотведения (ДУ 50, ДУ 100);
- канализации (ДУ 100).
Особые, реечные задвижки с электроприводом используют в погружных насосах для автоматизации регулировки подачи воды. Запорное устройство оснащено шибером.

В промышленности задвижки с электроприводом позволяют автоматизировать подачу, отведение жидкостей, газов в автоматическом режиме. Работа электрозадвижки осуществляется через коммуникационный шкаф.
Особенности монтажа

Монтаж электрической арматуры зачастую выполняется только квалифицированными бригадами. Перед началом проведения установки устройство нужно расконденсировать, убрать лишний смазочный материал, а также удалить заглушки и проверить работоспособность. Все технические параметры, прописанные в паспорте изделия, должны полностью соответствовать данным трубопровода.










Монтаж можно выполнять как в вертикальном, так и в горизонтальном положении. Не рекомендуется устанавливать арматуру в перевёрнутом виде, так как возле штока будет собираться грязь, а это постепенно приведёт к заклиниванию шпинделя. Клапанам с электрическим приводом диаметром более 10 см нужно оборудовать дополнительную неподвижную опору.
Подключение устройства к трубопроводам напрямую зависит от материала, из которого оно выполнено. Например, чугунную задвижку подсоединяют с помощью фланцев. Для этого к торцам труб придётся приварить такие же отвлечённые элементы. Это соединение благодаря болтам и резиновой прокладке обеспечивает высокую герметичность. Нельзя компенсировать дефекты сварки с помощью добавления дополнительных уплотнителей.
После завершения монтажа начинается сборка блока управления механизма. Он включает в себя элементы автоматики, а также силовую часть. Первые подают сигнал от кнопки на привод. Силовая часть размещается в электрошкафу, установленном возле клапана. Последним этапом будет проверка всех видов управления.
Гидравлические испытания выполняются уже на подключённой конструкции. Нельзя устранять обнаруженные дефекты при помощи подтягивания болтов. Монтаж может считаться завершённым только после проведения всех проверок.
Установка задвижки с электроприводом
Шаг 1: Подготовка
Перед установкой задвижки с электроприводом необходимо провести подготовительные работы. Оцените место, где будет установлена задвижка, и убедитесь, что оно соответствует требованиям и рекомендациям производителя. Выполните необходимые мероприятия по обеспечению безопасности во время установки.
Шаг 2: Установка электропривода
Следующим шагом является установка электропривода на саму задвижку. Следуйте инструкциям производителя, чтобы правильно соединить привод с задвижкой. Убедитесь, что привод крепится надежно и без люфтов.
Шаг 3: Подключение электропитания
После установки электропривода, необходимо подключить его к источнику электропитания. Учтите все требования и рекомендации производителя и обеспечьте правильное подключение с учетом напряжения и полярности. При подключении электропитания будьте внимательны и проследите, чтобы не возникло короткого замыкания или перегрева.
Шаг 4: Настройка системы
После успешного подключения электропитания, необходимо настроить систему управления задвижкой. Следуйте инструкциям производителя по настройке электронных настроек и параметров работы задвижки. Убедитесь, что система функционирует без сбоев и правильно открывает и закрывает задвижку.
Шаг 5: Проверка работы
Последний шаг — проверка работоспособности задвижки с электроприводом. Откройте и закройте задвижку с помощью системы управления
Обратите внимание на скорость и плавность движения задвижки, а также на ее полное открытие и закрытие. Если все работает корректно, значит, задвижка с электроприводом установлена и готова к эксплуатации
Установка задвижки с электроприводом требует точности и внимательности, чтобы обеспечить надежную и безопасную работу системы. При возникновении вопросов или сложностей, всегда обращайтесь к руководству производителя или к квалифицированным специалистам.
Типы электрозадвижек
Узнаем, какой бывает электрозадвижка для пожаротушения по своему исполнению,
и как она работает в зависимости от этого исполнения.
- Поворотная. В этой конструкции напор воды перекрывает заслонка, расположенная внутри самой трубы.
- Клиновая. Поток огнетушащего вещества перекрывается плоской заглушкой, установленной на трубе ортогонально движению потока.
- Шланговая. Перекрытие потока происходит за счет сильного сдавливания шланга.
- Параллельная. Различают двух- и однокольцевые задвижки. Проток воды закрывается при попадании дисков в пазы.
Кроме этого, задвижки с электроприводом выпускаются в нормальном или взрывозащищенном исполнении.
Второй фактор классификации – модель управления приводом.
Многооборотная. Такая задвижка перекрывает водяной поток не только открытой/закрытой позиции, но и фиксирует заслонку еще в некоторых других положениях для регулирования водного протока.
Взрывозащитная. Ее конструкция усилена для защиты от чрезвычайной ситуации, к примеру, если по трубе у нас течет взрывоопасное вещество (химические, нефтегазовые предприятия).
Интегрированная. Электрозадвижка с детекторами контроля протока. Это может быть уровнемер, который непрерывно замеряет уровень жидкости, или сигнализатор, определяющий заданное положение уровня воды в трубной разводке.С их помощью автоматически регулируется положение заслонки путем отправки сигнала на ПКП после анализа ситуации на участке ВПВ.
По крайней мере, они должны быть отключены.
Здесь как раз можно воспользоваться сигнализатором, сообщающим об изменении уровня воды в резервуаре.
Принцип работы и устройство
Представленное оборудование работает в разной рабочей среде (вода, пар, масло нефть и т. д.). При выборе того или иного агрегата нужно учитывать, для какой среды разработан конкретный механизм. Некоторые модели электроприводов для задвижки приводят конструкцию в два положения (открыто или закрыто). Но есть агрегаты, рассчитанные для работы в промежуточных положениях. Спектр положения их заглушек шире.
Изделие имеет корпус и фланцы. Соединение бывает параллельным, либо под углом. Дополнительную герметизацию обеспечивают уплотнители.
Задвижки оснащаются асинхронным электрическим двигателем (АСВ) с ротором короткозамкнутого типа. Мотор сочленен с червячным редуктором. Электропривод включает в себя выключатель ВП-700, а также ручной дублер.
Механизм оснащен поворотным диском. Он подает или перекрывает подачу внутренней среды (пар, вода масло и т. д.). За это отвечает контрольный блок и датчики. Запорный механизм приходит в движение только после получения соответствующего сигнала.

Движение заглушки обеспечивается штоком или шпинделем. Деталь образует вместе с гайкой резьбовую пару. Если шпиндель не выпирает, это оборудование не устанавливают на ответственном объекте. Ходовый механизм находится внутри, что усложняет его ремонт и обслуживание.
Механизм срабатывает из-за изменений температуры, давлениия или расхода жидкости трубопровода. Сигналом для перемещения заглушки может быть состояние насосов, вентиляторов.
Монтаж бесколодезный

В процессе монтажа такого типа понадобятся дополнительные комплектующие в виде опорной плиты, удлинительного шпинделя, а также уличного ковра. В процессе подготовки грунта в выбранном месте следует руководствоваться основной инструкции, которая применима при обустройстве трубопроводных систем. В этом случае монтаж отдельной опоры под задвижку может и не понадобится, так как качественно проведенной многослойной трамбовки будет более чем достаточно. При использовании оборудования большого диаметра или, исходя из особенностей выбранной местности, опора может все же понадобится.
В процессе установки следует внимательно отслеживать, чтобы шпиндель был направлен вертикально под углом в 90° относительно уровня земли и задвижки. Допускать угловых отклонений нельзя, так как шпиндель неминуемо выйдет из строя. Удлинительные шпиндели телескопические могут стать как нельзя кстати. При использовании устройств фиксированной длины следует учитывать характеристики уличного ковра, и показатель поверхностной нагрузки, который передаtтся на задвижку.
Как производится монтаж задвижки:
Задвижка соединяется с фланцами системы. Монтируется шпиндель удлиненного типа непосредственно на задвижку. Для этого необходимо слегка сдвинуть пластиковый кожух вверх, после чего станет возможным совмещение крепежных отверстий шпинделя и штока задвижки. Шпиндель фиксируется на задвижку при помощи специального крепежного элемента, идущего в комплекте (шплинта). Кожух сдвигается вниз до основания. Производится регулировка длины шпинделя таким образом, чтобы его верхняя часть на несколько сантиметров выступала над уровнем грунта. Траншея постепенно засыпается вплоть до лапок шпинделя. Трамбовка почвы должна проводиться регулярно
Стоит обратить внимание на то, что может понадобиться дополнительный грунт. Бульдозер и другое оборудование использовать не рекомендуется, так как это может привести к поломке устройства
Плита опорная монтируется на шпиндель таким образом, чтобы лапки проникли сквозь специальные пазы, находящиеся в плите
После она поворачивается на 90°. Производится монтаж уличного ковра на опорную плиту. Площадка окончательно засыпается землей, вплоть до верхней крышки. Такой ковер способен выдержать внушительную нагрузку в десятки тонн, поэтому его можно устанавливать даже под проезжие части.
Варианты приводов
Электрические приводы, который используются в данном типе арматуры, производятся в условиях современного производства. Жесткие ГОСТы подразумевают:
- определенные климатические параметры,
- высокий уровень защиты от взрыва,
- муфту, которая имеет ограничение крутящего момента и бывает разных типов.
Во многом выбор привода обусловлен тем, где будет работать конструкция – в помещении, под навесом или же под открытым небом.
Климатические особенности, соответствующие ГОСТу 15150-69, отображаются в маркировке:
- температурные параметры от плюс сорока градусов и до минус сорока пяти обозначаются литерой «У» с цифрами 1 или 2;
- температура от + 40 до – 60 имеет иную маркировку – УХЛ и цифрами 1 и 2;
- температура от + 50 до минус десяти – литера «Т» с цифрами 1 и 2.
При этом существует и определенный запас, ведь испытания подтверждают отличные показатели работы электроприводов УХЛ1 и УХЛ2 в задвижках при температурном пороге в – 70 градусов, точно также, как приводы Т1 и Т2 работают при + 60 оС. Узел с электроприводом отвечает за свой участок работы, однако он всегда важен в общем списке поставленных задач.
В современных приводах существует два типа управления – ручное механическое и дистанционное при помощи пульта. И то, и другое управление обладают надежностью, а различаются лишь некоторыми производственными особенностями и комфортом.
Электропривод в задвижке отвечает за такие действия:
- Своевременно закрыть и открыть механизм, удерживать его в промежуточных положениях, если этого требует технологический процесс.
- Автоматически отключать узел в случае аварийных ситуаций, а также при достижении крайних положений.
- Сигнал на пульте (в случае с дистанционным управлением), оповещающий о крайнем положении запорного устройства задвижки.
Задвижка с электроприводом, которая подобрана точно под стандарт, обладает не только надежностью, но и удобством в эксплуатации, без чего невозможна нормальная эксплуатация. Помимо качественных материалов и технологий современный потребитель всегда выбирает отличные эксплуатационные качества и приемлемые цены.
Критерии качественного монтажа задвижек
Монтаж задвижек с электроприводом является ответственным и важным этапом работы. Качество установки влияет на надежность и безопасность функционирования системы.
При монтаже задвижек следует учитывать следующие критерии:
- Выбор правильного типа задвижки: перед установкой задвижки необходимо убедиться, что выбрана правильная модель, которая соответствует требуемым техническим характеристикам и условиям эксплуатации.
- Правильное расположение задвижки: задвижка должна быть установлена в оптимальном месте на трубопроводе, чтобы обеспечить наилучшую эффективность работы системы.
- Проверка герметичности установки: перед началом работы системы необходимо удостовериться, что задвижка правильно установлена и герметично закрыта. Это гарантирует, что нет утечек и эффективно контролируется поток жидкости.
- Корректное подключение электропитания: при монтаже задвижки с электроприводом необходимо обеспечить правильное подключение электропитания. Это позволит задвижке корректно функционировать и управляться.
- Проведение испытаний: после монтажа задвижки рекомендуется провести испытания и проверить ее работоспособность. Это позволит выявить возможные дефекты и проблемы, которые можно решить еще на стадии монтажа.
Для обеспечения качественного монтажа задвижек необходимо следовать указанным критериям и рекомендациям производителя. Регулярное обслуживание и проверка работоспособности задвижек также являются важными аспектами, чтобы поддерживать их в оптимальном состоянии на протяжении всего срока службы.
Где применяются задвижки с электроприводом
Основное место применения – это системы водопроводов, кондиционирования, отопления и прочие, где в обязательном порядке необходимо автоматизировать процесс, а также добавить к этому возможность удаленного управления. Зачастую автоматический режим необходим и там, где такие узлы устанавливаются в сложных в обслуживании труднодоступных местах.
Задача выбора конкретной модели осложнена, если доступ к ней затем будет ограничен, то есть, необходимо выбрать наиболее подходящий вариант, рассчитать срок беспроблемной работы задвижки. Если техническое обслуживание будет очень сложным, то оно, несомненно, будет экономически невыгодным, что сделает всю сеть, в которой установлена задвижка, нерентабельной.
Еще один параметр, который обязательно требует именно такой конструкции – системы с большими диаметрами условного прохода. Здесь подразумевается, что для открытия и закрытия совершается впечатляющее количество оборотов, а значит, нет возможности обеспечить быстрое перекрытие потока. Автоматизация в данном случае позволит отстроить работу всей систем ы в нужных границах, что приведет и к экономической эффективности, и к соблюдениям существующих норм безопасности.
Наименование параметра | Значения параметров | ||||
Тип задвижки | 30с941нж Ду 50 | 30с941нж Ду 80 | 30ч906бр Ду 100 | 30ч906бр Ду 150 | 30ч906бр Ду 200 |
с электроприводами производства ОАО «ЗЭиМ» | |||||
Марка электропривода | ПЭМ-А11 | ПЭМ-Б5 | |||
Диапазон настройки крутящего момента на выходном валу, Н.м. | 70 – 110 | 100 – 300 | |||
Число оборотов выходного вала, об., min – max | 10 – 45 | 6 – 45 | |||
Частота вращения выходного вала, об./мин. | 24 ± 4,8 | ||||
Напряжение и чистота питания | 380 В, 50 Гц | ||||
Мощность электродвигателя, Вт | |||||
Масса электропривода, кг, не более | |||||
Степень защиты | IP 55 | ||||
с электроприводами производства ОАО «Тулаэлектропривод» | |||||
Марка электрического привода | Н-А2-11 | Н-Б1-11 | |||
Номинальный крутящий момент на выходном валу | 60 – 100 | 100 – 300 | |||
Число оборотов выходного вала, об., min – max | 10 – 45 | 6 – 36 | |||
Частота вращения выходного вала, об./мин. | |||||
Напряжение и чистота питания | 380 В, 50 Гц | ||||
Мощность электродвигателя, Вт | |||||
Масса электропривода, кг, не более |
Технические характеристики
Тип запорного устройства и его характеристики зависят от параметров трубопровода и перемещаемой среды. Мощность электропривода клапана выбирают в зависимости от размера корпуса и диаметра присоединений к трубопроводу. Так как проходная часть корпуса имеет большое гидравлическое сопротивление, то для перекрытия потока необходимо приложить достаточное усилие. Это достигается не только увеличением мощности электродвигателя, но и типом редуктора (с коническими или цилиндрическими шестернями).
Важным параметром для задвижки является время полного открытия (закрытия) проходной части. В связи с тем, что эта величина составляет 30-80 секунд, то использование таких заслонок в качестве быстродействующих клапанов не имеет смысла.
На трубопроводах, имеющих высокие параметры рабочих сред, устанавливают вварные задвижки. Если движущийся поток имеет большую температуру, то привод монтируют рядом с запорной арматурой, т.к. корпус закрывается теплоизоляцией. Отдельно стоящий двигатель меньше подвержен тепловому воздействию.
Приводы электрифицированных запорных устройств различаются между собой типом используемого двигателя и конструкцией редуктора. В большинстве задвижек используются моторы переменного тока с цилиндрическими или червячными редукторами.
Запорный орган у задвижек выполнен в виде клинового затвора, обоймы которого чаще всего изготавливаются в виде 2 дисков, между ними вставлен распорный элемент. При движении шпинделя вниз, происходит перекрытие канала, а герметичность достигается плотным прилеганием половинок затвора к седлам, расположенным наклонно.
Некоторые конструкции предусматривают перекрытие потока среды обрезиненным клином. Такая арматура может применяться в трубопроводах с жидкостью, не имеющей механических примесей. В противном случае электроприводной клапан будет негерметичен. Не разрешается использование запорной арматуры в качестве регулирующей.
Проверка наличия необходимых инструментов
Перед началом установки и настройки задвижки с электроприводом необходимо убедиться, что у вас есть все необходимые инструменты. В таблице ниже перечислены инструменты, которые понадобятся для успешной работы:
| Инструмент | Описание |
|---|---|
| Отвертка | Позволяет открывать и закрывать крышку электропривода, а также выполнять другие манипуляции. |
| Ключ | Используется для фиксации и регулировки крепления задвижки к двери или окну. |
| Отрезная пила | Необходима для обрезки планок и профилей по необходимой длине. |
| Изоляционная лента | Помогает обеспечить электробезопасность задвижки, предотвращая замыкания. |
| Метр рулетки | Понадобится для измерения и выравнивания расстояний при установке задвижки. |
| Пробковая плитка | Используется для шумоизоляции и амортизации задвижки. |
Убедитесь, что у вас есть все перечисленные инструменты, прежде чем приступать к установке задвижки с электроприводом. Это позволит избежать проблем и сэкономит ваше время при выполнении задачи.
Основные характеристики и преимущества задвижек с электроприводом
Задвижки с электроприводом обладают рядом особенностей, которые делают их выгодными в различных областях применения. Некоторые ключевые особенности включают в себя:
Эффективное управление потоком
Задвижки с электроприводом обеспечивают точное управление потоком жидкости, позволяя точно регулировать и поддерживать требуемый расход.
Удаленное управление
Благодаря электрическому приводу этими клапанами можно управлять дистанционно, что обеспечивает удобство и возможность централизованного управления. Это особенно полезно в крупномасштабных промышленных установках.
Быстрое время отклика
Задвижки с электроприводом имеют быстрое время отклика, что позволяет быстро открывать и закрывать клапан, что имеет решающее значение в ситуациях, требующих немедленного управления потоком.
Надежная производительность
Эти клапаны известны своей надежностью и долговечностью. Они предназначены для работы в условиях высокого давления и суровых условий, обеспечивая длительную работу.
Простое обслуживание
Задвижки с электроприводом обычно требуют минимального обслуживания, что сокращает время простоя и затраты, связанные с обслуживанием или ремонтом.


































